Car Alarm Arming Horn Beep Canceller


Home > Circuits > Auto > Car Alarm Arming Horn Beep Canceller Buy Me A Coffee
Author Views Views Today Rank Comments
bob 145,418 10 6

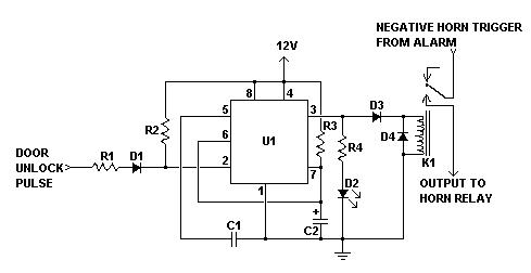
It's a great convenience that most modern cars come with a built in alarm, however it is nothing but noise pollution that the horn sounds when the alarm is armed. Disconnecting the alarm system from the horn relay will eliminate this, but prevent the horn from sounding in the even of an actual alarm. This circuit serves to silence the arming beep yet maintain the alarm by introducing a small delay into the signal. It sits between the alarm and horn relay. The alarm must provide a constant horn signal for at least 3 seconds before the horn relay is activated. That way the quick "beep" will never activate the horn relay, while the constant alarm signal will.

Schematic

Schematic for Car Alarm Arming Horn Beep Canceller

Parts

Part
Total Qty.
Description
Substitutions
C110.01uF Ceramic Disc Capacitor
C21100uF 35V Electrolytic Capacitor
R111K 1/4W Resistor
R2110K 1/4W Resistor
R3115K 1/4W Resistor
R41470 Ohm 1/4W Resistor
D1, D3, D431N4004 Rectifier Diode
D21Red LED
U11555 Timer IC
K11SPST 12V Automotive Relay
MISC1Board, Wire, Socket For U1, Case

Notes

  1. This circuit is by bob and was originally posted to the forum as Need Circuit Project to Improve Remote Car Alarm.

Related Circuits

Automatic Headlight Brightness Switch, Wireless Auto Tachometer, Car Alarm Arming Horn Beep Canceller

Comments

Add A Comment

HAIDER ALI JAVAID
Car Alarm Arming Horn Beep Canceller
Friday, December 18, 2009 6:10:10 AM
Your project is amazing.it is a mirical for a lay man.The invention of this circuit is a great achievement in the field of electronics.
Ashish
Car Alarm Arming Horn Beep Canceller
Wednesday, August 26, 2009 4:53:19 AM
yours projects are marvalous
kameshwaran
Car Alarm Arming Horn Beep Canceller
Thursday, October 16, 2008 2:49:20 AM
its very useful for presents ece students.
matthew
Car Alarm Arming Horn Beep Canceller
Friday, April 25, 2008 3:45:41 PM
i am a beginner, i dont know where to supply power and the right voltage to make it work.
anonymous
Car Alarm Arming Horn Beep Canceller
Friday, March 28, 2008 2:02:58 AM
Fran, all you have to do is google 555 timer datasheet and you will find a formula to calculate the correct resistors & capacitors to use...
fran
Car Alarm Arming Horn Beep Canceller
Sunday, February 17, 2008 8:02:40 PM
can i make it more then 3 sec? i nede it about 4 min can you help me maybe by changing some parts
The last 10 comments are currently shown. Show All Comments. Add A Comment

Back To Circuits Page | Mail Me | Search | Buy Me A Coffee