Tone Control


Home > Circuits > Sound/Radio > Tone Control Buy Me A Coffee
Author Views Views Today Rank Comments
323,044 11 31
This simple tone control can be used in may audio applications. It can be added to amplifers, used as a stand alone control module, or even built into new and exciting instruments. It's one IC construction makes it a very compact circuit, as only a few support components are required. Plus, it does not use a dual power supply. This means that the circuit will run from 9V to 15V (although the bass will be a little weak at 9V). The circuit is by Robert Barg and originally appeared in the Think Tank column of the May 1998 issue of Popular Electronics.

Schematic

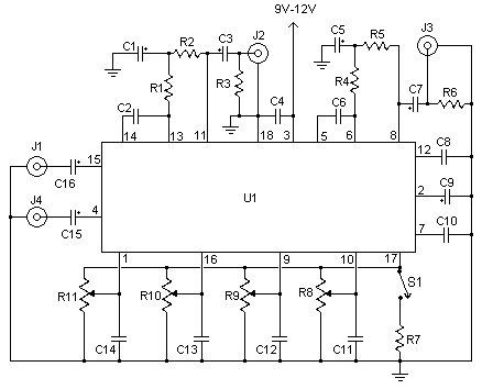
Schematic for tone control

Parts

Part
Total Qty.
Description
Substitutions
C1, C3, C5, C7, C15, C1662.2uf Electrolytic Capacitor
C2, C620.05uF Ceramic Disc Capacitor
C410.22uF Disc Capacitor
C8, C1020.015uF Ceramic Disc Capacitor
C91100uF Electrolytic Capacitor
C11, C12, C13, C1440.1uF Ceramic Disc Capacitor
R1, R4210K 1/4W Resistor
R2, R5233K 1/4W Resistor
R3, R624.7K 1/4W Resistor
R712.2K 1/4W Resistor
R8, R9, R10, R11450K Linear Pot
U11TDA1524A Tone Control IC
S11SPST Switch
J1, J2, J3, J44RCA JacksOther connectors of your choice
MISC1Board, Wire, Knobs, 18 Pin Socket

Notes

  1. S1 is a contour control. Volume is controlled by R11. Balance is controlled by R10. R9 and R8 control bass and treble, respectivly.
  2. J1 is the left input, J4 is the right input. J2 is the left output, J3 is the right output.
  3. The circuit is designed to accept line level or mic level inputs. if you are going to be using a stronger signal, a voltage divider will be necessary to cut it down to proper levels.
  4. You can, of course, skip J1-J4 if you plan to integrate this circuit into another.

Related Circuits

3 Watt FM Transmitter, 8 Watt Audio Amp, 22 Watt Audio Amplifier, 50 Watt Amplifier, Crystal Radio, FM Transmitter, Guitar Fuzz Effect, FET Audio Mixer, Microphone Mixer, 8 Note Tune Player, Op Amp Radio, Mono To Stereo Synthesizer, Electronic Stethoscope, Tone Control, Transistor Organ, Stereo Tube Amplifier, Digital Volume Control, Sound Level Meter, Aircraft Radio Communications Receiver, Single Chip FM Radio, One Tube Regenerative Radio, Single Chip AM Radio

Comments

Add A Comment

wilson
Tone Control
Sunday, January 18, 2015 10:20:12 PM
Gud somebody told me that the IC with 16 pins that I was looking is a CD3699. But I have a problem searching for that exact IC. Do you know?, any substituion regarding on this IC. like other IC, that have the same function as this...
wilson
Tone Control
Saturday, October 11, 2014 4:38:00 AM
Hi I have a karaoke model Plardin Pl-1029. It is a 10k watts amplifier, Fm radio. I just can't find the right IC for the tone control section of it, because I don't know what is the part number of it Do you have a schematic diagram of this model. Preferably on its tone control section?.
julius c. horfilla
Tone Control
Monday, October 24, 2011 5:48:42 AM
try to experiment more,improvised it. do your best find the best possible as you can . but be carefull or you may waste your money in a split seconds.if you damage your audio amplifier and power supply if it explode.
julius c. horfilla
Tone Control
Monday, October 24, 2011 5:31:23 AM
you can use that input captain transformer to enhance bass response of your amplifier.not directly on your amplifier but to your tonecontrol circuit specifically.as i explained it already. that's a tradeschool (ctu) trade secret, highschool and college since the 1980's. my schoolyear 1982-1886.csat-cscst.
eeejey
Tone Control
Wednesday, August 17, 2011 6:15:51 AM
@julius Hi im from cebu too, i am still a beginner in electronics, i built an "bass & treble amp" as we call it here i am interested in putting a "captain transformer" to the amp, can you please give me a schematic on how and where to connect it to my amp thank in advance :)
julius c. horfilla
Tone Control
Saturday, January 15, 2011 9:15:26 AM
how to make your standard horn/dome tweeter w/permanent magnet a super tweeter. use 2.2uf/50v non polar series filter capacitor then parallel an inductor to the ground.then series again another 1uf/50v to the tweeter. now parallel tweeter's two terminal's with another inductor. the data of the two inductor's is 50 turns #24 magnetwire on a 5/16"diameter 4.5"long ferritebar.you can also reduce/adding another number of turns of your coil.or changing the value of your capacitor.with my data it's already tested.
julius c.horfilla
Tone Control
Saturday, September 18, 2010 4:23:08 AM
as i mentioned this input captain transformer is most likely applicable to andy collinsons baxandall type,tone control circuit.you can also use this input captain transformer to any tone control circuit similar that of andy collinsons tone control circuit.you can also connect a switch, to turn it on and off.don't also forget to parallel a capacitor to the input captain transformer rated at .01-.2uf/50vmylar capacitor for brilliant treble effect.try also different combinations for improvement.
anonymous
Tone Control
Monday, July 19, 2010 2:13:38 AM
this input captain trnsformer is most likely applicable to andy collinson's baxandall tone control cicuit.just parallel the input captain transformer to the 2nd stage transistors emitter,and the other terminal of the input captain to the ground.remember the input captain transformer has five terminals.one side has 2terminals and the other side has 3terminals.just chose 2terminals per side.and the other side is of no use.also parallel your input captain transformer with .01uf -.1uf mylar capacitor for brilliant treble effect.....the effect of this input captain transformer is a rubberlike and extremely deep bass effect.
julius c.horfilla
Tone Control
Tuesday, July 13, 2010 5:56:48 AM
my advice,when incorporating an input captain transformer to your tone control circuit , try puting a switch in series with it.it really works, a very deep and a rubberlike bass effect.and for a brilliant tweeter effect .also parallel your input captain transformer with a mylar capacitor rated at .05uf-.2uf/50v.try different combinations,experiment.
julius c.horfilla
Tone Control
Monday, June 07, 2010 6:48:02 AM
for perfect tweeter series filter capacitor use .5uf-2.2uf /50v non polar or mylar 630v capacitor for horn/dome tweeter. .22uf-.5uf /50v non polar or 630v mylar capacitor for piezo electric tweeter specially motorolla.and parallel your tweeter an inductor/coil directly.the data for the coil is 50-130 turns#24 magnetwire on a 5/16"diameter 4.5"long ferrite bar or your old junk A.M.radio ferrite bar.
The last 10 comments are currently shown. Show All Comments. Add A Comment

Back To Circuits Page | Mail Me | Search | Buy Me A Coffee