Video Stabilizer/MacroVision Removal


Home > Circuits > Other > Video Stabilizer/MacroVision Removal Buy Me A Coffee
Author Views Views Today Rank Comments
Antti Paarlahti 193,540 14 10
Have you ever attempted to copy a commercially produced video only to end up with a distorted and jumpy image? If so, then you have run afoul of MacroVision. MacroVision is the most popular copy protection scheme used on the majority of content distributed on VHS cassettes. Like all copy protection, it does nothing to discourage the real pirates and only annoys the user who may wish to create a legal copy for backup and archival purposes. This circuit can eliminate MacroVision encoding in both NTSC and PAL recordings.

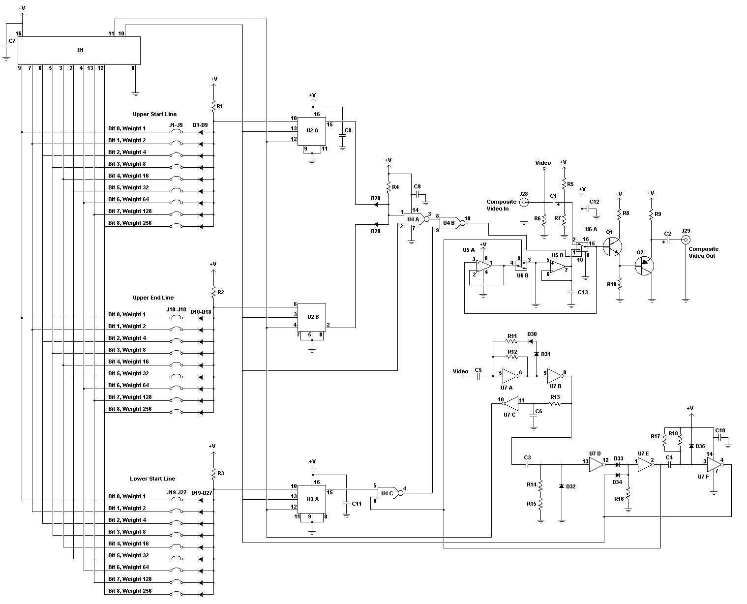
Schematic

This is the schematic of the Macrovision removal circuit

Parts

Part
Total Qty.
Description
Substitutions
R1, R2, R3, R4, R5, R7668K 1/4W Resistor
R6275 Ohm 1/4W Resistor
R8, R92100 Ohm 1/4W Resistor
R1012.2K 1/4W Resistor
R1111.5K 1/4W Resistor
R12, R172470K 1/4W Resistor
R13, R16233K 1/4W Resistor
R1416.8K 1/4W Resistor
R15122K 1/4W Resistor
R18147K 1/4W Resistor
C1115uF Electrolytic Capacitor
C21220uF Electrolytic Capacitor
C31220pF Ceramic Disc Capacitor
C410.0022uF Ceramic Disc Capacitor
C5, C7, C8, C9, C10, C11, C12, C1370.1uF Ceramic Disc Capacitor
C610.47uF Ceramic Disc Capacitor
D1-D9, D10-D18, D19-D27, D28, D29, D30, D31, D32, D33, D34, D35351N4148 Diode
Q11BC548 NPN Transistor
Q21BC558 PNP Transistor
U114040 12-Bit Ripple Counter
U2, U324027 Dual J-K Flip Flop
U414011 Quad Two Input NAND Gate
U51TL802 Dual Op Amp
U614053 Triple Two Channel Multiplexer
U714069 Hex Inverter
J1-J9, J10-J18, J19-J2727Jumper
J28, J292RCA Jack
MISC1PC Board, Wire, Sockes For ICs

Notes

  1. The circuit was submitted via email by Jari Ekstrom. Jari noted that the author is Antti Paarlahti and that the circuit originally came from the author's website. This website is no longer accessible. However, some searching revealed that the author of the circuit also wrote The MacroVision FAQ. The email address listed for the author in the FAQ is invalid and the FAQ was last updated in late 1996. This circuit reproduced here without permission.
  2. Before use, the circuits's jumper need to be set. Take a look at the table below:

    MacroVision Type
    Upper Start Line
    Upper End Line
    Lower Start Line
    PAL0x050x0F0x126
    NTSC0x060x0E0xFB

    To set the jumpers, first convert the line numbers to binary. You will end up with three binary digits, one for each set of line numbers. Bit 0 is least significant, bit 8 is most significant. Now simply open the jumpers at the 0 bits and close the jumpers at the 1 bits.

  3. Connect your video source to "Composite Video In". As the label suggests, this circuit accempts composite video signals only. The corrected video signal is sent to the "Composite Video Out" jack.
  4. With the two "Video" terminals disconnected the circuit passes video through without modifying it. Jumping the "Video" terminals enables the MacroVision removal.
  5. As with all circuits involving CMOS (4000 series) ICs, you must tie the unused inputs of those ICs to ground. This is not shown on the schematic for clarity.
  6. Supply voltage is 12V.

Related Circuits

Air Flow Detector, Wire Loop Alarm, Simple Two Speed Contactor DC Motor Controller , 7 Segment LED Counter, Simple Lie Detector, Low Voltage Alarm, Video Stabilizer/MacroVision Removal, Pulse Width Modulation DC Motor Control, Simple Polarity Tester, Pine Racecar Victory Judge, Rain Detector, Time Delay Relay, Time Delay Relay II, Stepper Motor Controller, Touch Switch, Video Activated Relay, Digital Keypad Combination Lock, AC Motor Speed Controller, Simple Servo Controller, Water Detector With Sump/Bilge Pump Controller, Simple Touch Switch

Comments

Add A Comment

anonymous
Video Stabilizer/MacroVision Removal
Monday, May 25, 2015 9:34:04 PM
Re s-video question - easy, insert the circuit in the luminance line and connect the ground and chrominance lines straight through.
glocktastic
Video Stabilizer/MacroVision Removal
Monday, April 12, 2010 7:35:45 PM
I don't know much about this but have a look here: http://www.kolumbus.fi/pami1/macrovision/ The PDF of a circuit-diagram is shown at the link "Schematic Diagram A4 PDF" The circuit-diagram on this page appears to have a mistake because it shows pin 5 of U5B grounded. Instead, it should have a 220nF capacitor to ground.
anonymous
Video Stabilizer/MacroVision Removal
Saturday, March 20, 2010 4:12:54 PM
Has anyone actually built this and got it working? If so what changes are necessary? I also have the concern Ken expressed.
anonymous
Video Stabilizer/MacroVision Removal
Wednesday, April 08, 2009 7:45:31 PM
U5 appears to be a keyed clamp, with a mistake. I think C13 should be connected to pin 5, not pins 6 and 7, and the ground connection to pin 5 deleted. When the switch U6B is closed, a charge is then placed on the capacitor at U5 pin 5, and the voltage follower U5B makes that voltage available at U5 pin 7.
ken
Video Stabilizer/MacroVision Removal
Wednesday, October 08, 2008 11:03:04 AM
I wonder how this is supposed to work at all with U5 pin 5 grounded? any signal from U5a when the analog switch is closed will just go to ground.???
edmoon
Video Stabilizer/MacroVision Removal
Tuesday, September 09, 2008 9:53:49 PM
I wonder how this might be made to work with s-video.
anonymanonymousous
Video Stabilizer/MacroVision Removal
Sunday, October 14, 2007 11:18:30 PM
I have a TV/VCR combo and the VCR quit, but the TV works fine. you know what happens when you connect another VCR to a combo, it treats it like another VCR, this circuit should solve the problem. I cant wait to get it built, thks.
karthik
Video Stabilizer/MacroVision Removal
Wednesday, July 18, 2007 8:11:19 AM
super
anonymous
Video Stabilizer/MacroVision Removal
Tuesday, July 17, 2007 3:01:14 AM
i love it!!! wohooo
Anthony .I.Noumado
Video Stabilizer/MacroVision Removal
Wednesday, April 25, 2007 4:12:52 PM
how was this made i want to know more.
The last 10 comments are currently shown. Show All Comments. Add A Comment

Back To Circuits Page | Mail Me | Search | Buy Me A Coffee