Colour (Sound) Organ


Home > Circuits > Light/Laser > Colour (Sound) Organ Buy Me A Coffee
Author Views Views Today Rank Comments
303,075 19 36
Anyone who has been to a night club, concert or school dance has probobly seen a colour organ. Colour organs cause lights to blink and flash to music from your TV, stereo, guitar and even your own voice. The colour organ presented here needs no connection to the sound source, it picks up sound from its built in microphone.

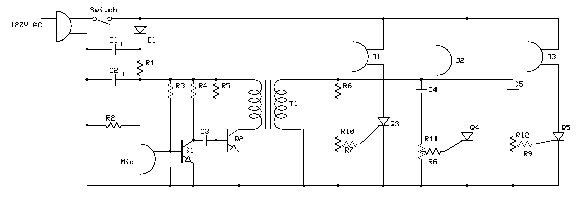
Schematic

This is the schematic of the Colour Organ

PC Board Layout

This is the printed circuit layout of the Colour Organ

Parts Placement

This is the parts placement of the Colour Organ

Parts

Part
Total Qty.
Description
Substitutions
C1122uf 250V Electrolytic Capacitor
C2122uf 250V Electrolytic Capacitor
C310.1uf Disc Capacitor
C410.01uf Disc Capacitor
C510.0047uf Disc Capacitor
R1147K 1/2 W Resistor
R2, R426.8K 1/2 W Resistor
R3, R521M 1/2 W Resistor
R613.3K 1/2 W Resistor
R7, R8, R931K 1/2 W Resistor
R10, R11, R12310K Pot
D111N4004 Diode
Q1, Q222N3904 NPN Transistor2N2222
Q3, Q4, Q53106B1 SCRTeccor S2003LS1
T1110K:600 Ohm Audio Transformer
S11SPDT Switch
J1, J2, J33AC Socket
MISC1AC Line Cord, Crystal Microphone, Case, Wire

Notes

  1. R10, R11 and R12 control the response of the different lights.
  2. The circuit can handle up to 300 watts per channel.
  3. This circuit is NOT isolated from the 115 Volt line. If it is used with the case opened or not installed in a case, you could recieve a bad shock or be killed.
  4. You can also use the Teccor S2003LS1 SCR for SCR1. These give better sensitivity and brightness than the 106B1 units.
  5. Thanks to James Maloway for redrawing the schematic.

Related Circuits

3 Channel Spectrum Analyzer, 40W Fluorescent Lamp Inverter, Fantastic Atom Expander, Black Light, LED Chaser, Simple Colour Organ, TRIAC Light Dimmer, 12VDC Fluorescent Lamp Driver, Infa-Red Remote Control, IR Remote Jammer, LASER Transmitter/Receiver, Light/Dark Detector, Colour (Sound) Organ, Flash Slave Trigger, Strobe Light, Adjustable Strobe Light, LED Thermometer, Electronic Dice, IR Remote Switch, LED Metronome, IR Remote Extender

Comments

Add A Comment

Rich
Colour (Sound) Organ
Tuesday, May 10, 2016 3:49:08 PM
I would HIGHLY recommend putting a fuse between Switch and D1.
anonymous
Colour (Sound) Organ
Sunday, January 18, 2015 6:11:15 PM
It is a good sample design. Be careful you could be in dangers getting electric shock by using this design do to component failed. I would not follow this design as is.
anonymous
Colour (Sound) Organ
Wednesday, November 23, 2011 4:25:48 PM
Where can I find a 10K to 600 Ohm transformer? I cannot find anything that is too ridiculously expensive.
MIke
Colour (Sound) Organ
Monday, October 31, 2011 9:35:17 PM
I just built this circuit, and it doesn't work, any troubleshooting tips? which way does the transformer go? I've checked the circuit to the schematic and it seems right to me, except I'm not sure about the transformer.
Chris
Colour (Sound) Organ
Saturday, October 22, 2011 1:11:59 AM
Just built this circuit and it works great. Using a RCA connector instead of the mic and connecting it to the audio of my home theater system.
Andrew
Colour (Sound) Organ
Monday, May 17, 2010 9:48:00 PM
C2 should be 50V not 250V, also this circuit works just as well if the mic leads are replaced with left and right in-line stereo
Andrew
Colour (Sound) Organ
Friday, May 07, 2010 2:55:16 PM
I have built this and it works great. For those asking, connecting the two leads from a headphone jack cord or whatever to where the mic leads would be works just as well.
metompkin
Colour (Sound) Organ
Friday, February 26, 2010 11:48:34 PM
How could you get an input from an audio device, instead of a microphone? Thank You!
totto
Colour (Sound) Organ
Friday, January 22, 2010 4:07:55 AM
Any substitutes for the 10k---600 Ohm audio transformer??? Cant seem to locate
Mike Schneider
Colour (Sound) Organ
Monday, November 16, 2009 7:59:09 AM
I've just built this schematic here in my classroom and am having difficulties with it. I noticed when I ordered the crystal microphone from Mouser Electronics that it is polarized but it is not specified in the schematic. I've tried both ways: one way I get a buzz sound and it was stop as I touched the mic, the other I got nothing lol. I'm not quite sure what I'm doing wrong here. I also did a ohm reading on the transformer I ordered as well. I ordered the same one on your parts list however I'm getting a reading of only a few ohms I'm guessing that could be the issue lol. Any ideas would be great.
The last 10 comments are currently shown. Show All Comments. Add A Comment

Back To Circuits Page | Mail Me | Search | Buy Me A Coffee