Simple Touch Switch Circuit


Home > Circuits > Other > Simple Touch Switch Buy Me A Coffee
Author Views Views Today Rank Comments
180,446 12 6
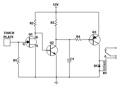
Similar to the CMOS based Touch Switch also on this site, this transistor based touch switch can activate a load simply by the user touching a metal plate. It is designed to directly switch a relay to allow it to be used with large loads. As it uses only a few commonly available transistors and a 12V supply, it is ideal for hostile environments where mechanical switches would be damaged. Using a latching relay and two of these circuits, a simple two pad "touch on/touch off" arrangement can be made.

Schematic

Schematic for touch switch

Parts

Part
Total Qty.
Description
Substitutions
R1110 Meg 1/4W Resistor
R2147K 1/4W Resistor
R31120k 1/4W Resistor
R41470 Ohm 1/4W Resistor
C1115uF Electrolytic Capacitor
D111N4007 Silicon Rectifier Diode
Q112N5458 N Channel Field Effect Transistor
Q212N2222 NPN Transistor2N3904
Q312N3906 PNP Transistor
K11Relay w/12V Coil, Contacts To Suit Application
MISC1Board, Wire, Small Metal Pad For Touch Pad

Notes

  1. The touch pad can be most easily made by cutting a small square of PCB material and then soldering on a single wire. Alternatively, something like a penny glued to a plastic backing will do the job.
  2. As mentioned, a latching relay can be used so that a momentary touch activates the relay and it remains active. To turn off a latching relay, power must be interrupted. So a 2nd circuit with a normal relay can be used to cut power (use the NC contacts on the 2nd circuit). Placed side by side, two touch pads form an "on" and an "off" pad.

Related Circuits

Air Flow Detector, Wire Loop Alarm, Simple Two Speed Contactor DC Motor Controller , 7 Segment LED Counter, Simple Lie Detector, Low Voltage Alarm, Video Stabilizer/MacroVision Removal, Pulse Width Modulation DC Motor Control, Simple Polarity Tester, Pine Racecar Victory Judge, Rain Detector, Time Delay Relay, Time Delay Relay II, Stepper Motor Controller, Touch Switch, Video Activated Relay, Digital Keypad Combination Lock, AC Motor Speed Controller, Simple Servo Controller, Water Detector With Sump/Bilge Pump Controller, Simple Touch Switch

Comments

Add A Comment

ResR
Simple Touch Switch
Saturday, March 04, 2023 6:29:21 AM
Jason: That video only shows the very basic LED circuit, not the one in discussion. Ikashi: Because the pad is connected directly to the circuit via the gate of a fet it is not very good idea to connect it to 240V directly, instead use a 12V wall adapter.
Jason
Simple Touch Switch
Saturday, December 10, 2011 10:57:42 AM
Ikashi:It doesn't matter which power supply you use, as long as it matches your mains and puts out 12v DC which is fairly clean. As far as how to build this, look at http://www.youtube.com/watch?v=vJUX9cvyYjU&feature=related which should get your mind going.
mk
Simple Touch Switch
Thursday, December 16, 2010 12:34:45 PM
Can I Use any other mosfet instead of 2n5458 ??
amiel
Simple Touch Switch
Wednesday, September 22, 2010 4:10:03 AM
do you have instructions on how to do this thing,, i mean how to build this project,, i really need an electronic project please reply,, (T_T)
ikashi
Simple Touch Switch
Monday, September 20, 2010 9:03:20 PM
can i use a 240V supply for the 12V input in the circuit what are the procedures or the steps to make the simple touch switch
manolo
Simple Touch Switch help
Thursday, March 18, 2010 1:43:10 PM
i have all the pieces but i don't know how to put them together how to know how the transistors go, i mean, in what orientation and the most important the relay i have has 5 input/output how to put it in the right order im new at this so explain like if i were retarded
The last 10 comments are currently shown. Show All Comments. Add A Comment

Back To Circuits Page | Mail Me | Search | Buy Me A Coffee